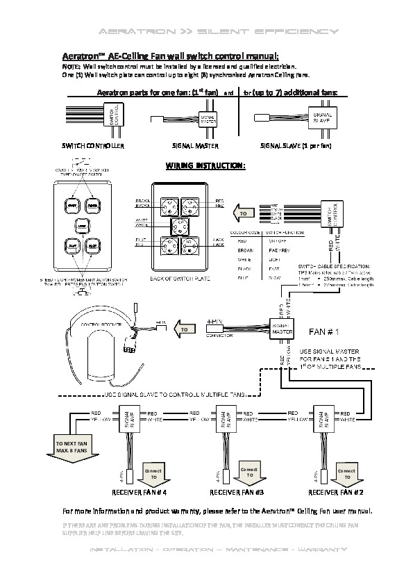
Aeratron AE+/FR Master Wall Controller Kit 4 Gang - No Light Control

WAS $262.60
NOW $224.00
Sale Ends in
00:00 am, 30 June 2026
Sold Out
On Sale

(WCKIT)

SKU WCKIT
Barcode # 9349819002784
Brand Aero DC/Calibo

Be The First To Review This Product!

Help other The Light Choice users shop smarter by writing reviews for products you have purchased.

Write a product review

More From This Category